- 製品情報
-
- 個人・家庭向けプリンター
<用途から選ぶ>
- <カテゴリーから選ぶ>
- 法人・業務向けプリンター・複合機
- 産業向けプリンター・デジタル印刷機
- 消耗品
- 産業向け製品
- <インクジェットソリューション>
- 個人・家庭向けプリンター
マイコンが動作を行うためには、クロック信号が必要です。マイコン内の回路は、ほぼ、すべてこのクロック信号に同期して動作します。マイコンが使用可能なクロック信号を発生させる回路には、大別して以下の3種類があります。
マイコン内部でクロック信号を発生させる回路です。一般的に発振周波数精度は、あまりよくありませんが、外付け部品を必要とせず、容易にクロック信号を得ることができます。
マイコンと水晶やセラミックス振動子などを接続し、マイコン内部の発振インバータを使用して、クロック信号を発生させる回路です。振動子の特性にもよりますが、高精度の発振周波数を得ることが可能です。特に水晶発振の精度は正確で、時計用途にも用いられます。
マイコン内部では発振をさせず、マイコンの外部からクロック信号を供給してもらう回路です。外部クロック源としては、水晶発振器などが用いられます。
![]()
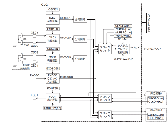
S1C31W65におけるクロック回路ブロック
エプソンのS1C31W65などでは、内蔵発振回路(IOSC)、振動子発振回路(OSC1,OSC3)、外部クロック回路(EXOSC)を搭載し、目的や用途に応じて、使用するクロック源を柔軟に切り替えることが可能になっています。
マイコンの基礎と選び方(評価の仕方)・比較フォーマット
マイコンに関して下記のようなPDF資料がダウンロードできます。マイコン選定などにご活用ください。
マイコンに限らず、ほとんどの半導体製品が動作する場合には、電力を消費します。現代社会においてエネルギー問題は重要な課題であり、電池やバッテリを用いて動作する製品はもとより、商用電源(AC100V/200Vなど)を用いる家電やその他機器などにおいても、低消費電力化が求められています。
一般的に、マイコン内のクロック信号が高速になればなるほど、消費電流値は高くなります。しかし、クロック信号が低速ですと、CPUが単位時間あたりにこなすことが可能な仕事量が、少なくなってしまいます。
製品や目的とする処理に合わせて、動作クロック信号の速さ(周波数)を選択することが、もっとも重要です。複雑な計算や処理を実行させるのであれば、高速な周波数でCPUを動作させ、何らかのイベントが発生するまで待機するような処理であれば、低速な周波数でCPUを動作させることや、場合によってはクロック信号を停止させることも検討します。
![]()
エプソンのマイコンにおけるクロック信号選択機能
エプソンのマイコンは、使用するクロック信号を4つのクロック源から自由に選択することができるようになっています。そのため、目的や用途に応じて、回路毎に最適なクロック信号を設定することが可能です。
エプソンのMCU製品(S1C31 FamilyとS1C17 Family)の概要資料をダウンロード
半導体製品には、使用する際の動作電源電圧範囲が規定されています。常に安定した電源が得られるようなシステムにおいては、問題は少ないと考えられますが、電池やバッテリを電源として動作するシステムにおいては、半導体製品の動作電源電圧範囲、あるいは電池やバッテリの特性をよく考慮して、システムを設計する必要があります。
電池やバッテリを電源とするシステムの場合、動作電源の安定化を図るため、使用する電源に対してレギュレータなどをいれる必要があります。また、シングルチップで動作するようなマイコンの場合は、マイコン内にレギュレータなどの電源を安定化させる仕組みが必要です。
![]()
エプソンのS1C17M40における電源回路ブロック図
エプソンのマイコンのほとんどの機種は、外部から供給された電源をもとに、マイコンに内蔵のレギュレータを用いて電源を生成しています。これを内部回路の動作電源としているため、安定した動作が可能になっています。
エプソンのマイコンに内蔵されているDC-DCコンバータは、前述のレギュレータと同様に安定した電源を得るための回路ですが、レギュレータだけでなく、チャージポンプにより、安定化した電源を生成します。チャージポンプを使用する場合は、規定値以上の電源電圧が必要ですが、レギュレータより低い電力で、安定した電源を生成することが可能です。
![]()
エプソンのS1C17Wシリーズにおける電源回路ブロック図
エプソンのS1C17Wシリーズなどでは、このチャージポンプ方式により生成した電源による動作モードを“スーパーエコノミーモード”と呼び、特に低い消費電流で動作させることが可能になっています。
マイコンの基礎と選び方(評価の仕方)・比較フォーマット
マイコンに関して下記のようなPDF資料がダウンロードできます。マイコン選定などにご活用ください。